Schaltpläne/ Stromlaufpläne


Die hier vorgestellten technischen Unterlagen beziehen sich überwiegend auf das Bausatzsortiment von KNE. Die Pläne stehen im JPEG-Format zur Verfügung, wobei die Auflösung bei den Transceiverschaltplänen im Interesse einer vernünftigen Downloadzeit teilweise reduziert wurde.

Es ist allerdings möglich diese Pläne - auf Anfrage - per Mail in voller Größe zu versenden. Sämtliche Pläne sind für den privaten Gebrauch bestimmt. Jegliche "Kommerzialisierung", Veröffentlichung auf anderen Webseiten (einschließlich Verlinkung) oder in Zeitschriften bedarf deshalb meiner unbürokratischen Zustimmung.

Bei der Vielzahl der Bauteile und Schaltungen sind trotz sorgfältiger Arbeit Fehler nicht ausgeschlossen. Falls also Unstimmigkeiten entdeckt werden, wäre es gut wenn ein kurzer Hinweis an mich erfolgt, damit ich entsprechende Korrekturen vornehmen kann.


Frequenzmessgeräte

LCD9M-70
Stromlaufplan
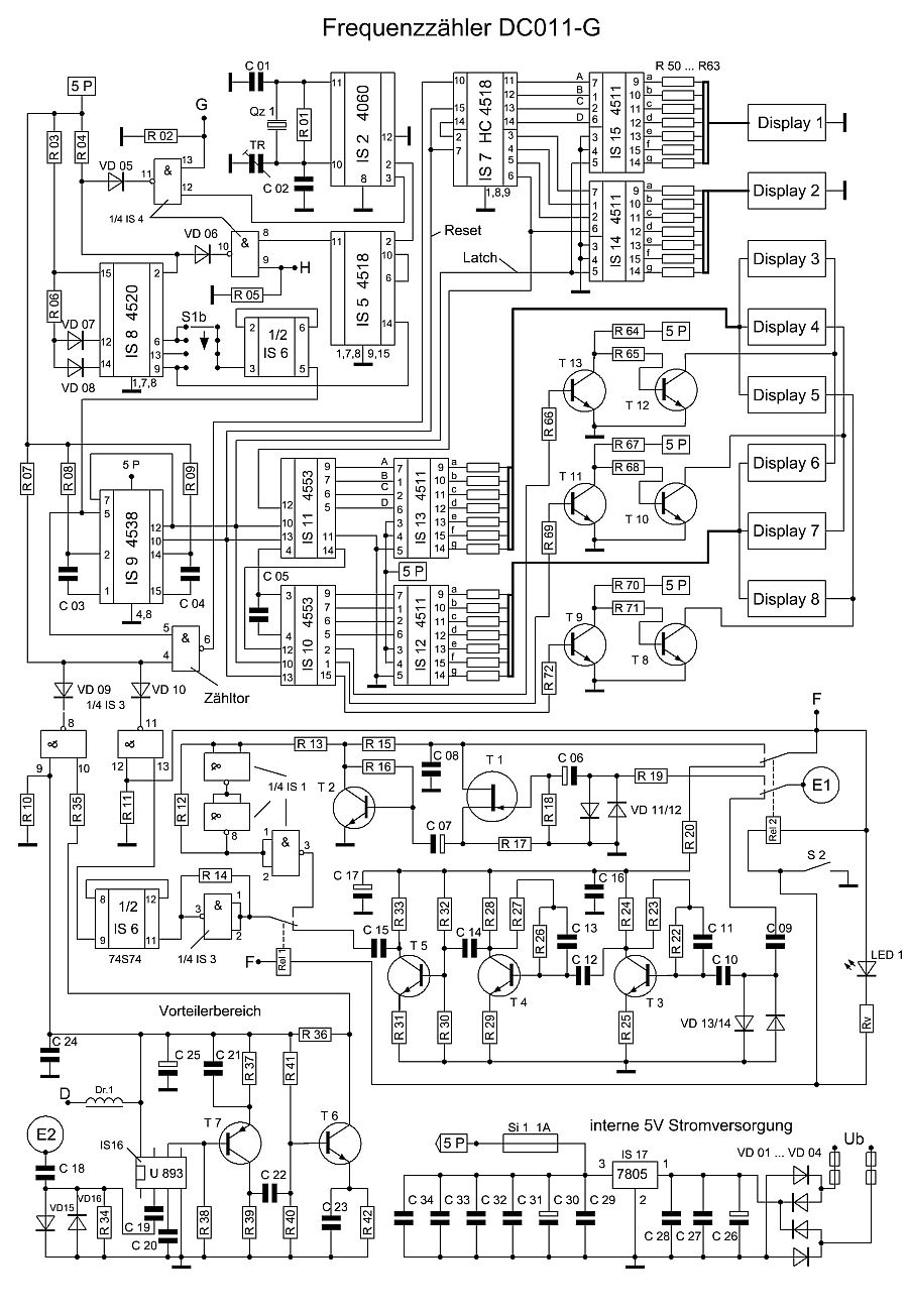
DC011-G
Stromlaufplan

Kurzwellen-Empfänger

80m-RX
Empfänger
digitale Frequenzanzeige

HF-Endstufen

FET-PA10
Stromlaufplan
FET-PA50
Stromlaufplan
FET-PA GH-01
Stromlaufplan

Tiefpassfilter

TP-50
Stromlaufplan

Kurzwellen-Transceiver

QRP-99 V
Gesamtstromlaufplan
Frontplatine
PTT-Steuerung
QRP-MINI-Serie
Blockschaltbild
VFO-Schaltung
10W-FET-Endstufe

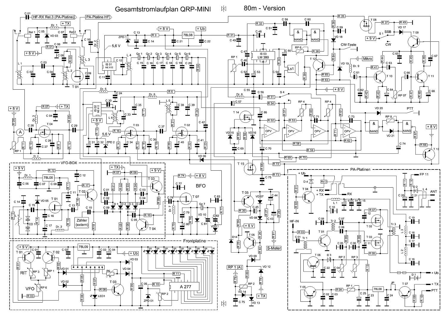
QRP-MINI 80m
Stromlaufplan
QRP-MINI 160m
Stromlaufplan
QRP-MINI 40m
Stromlaufplan
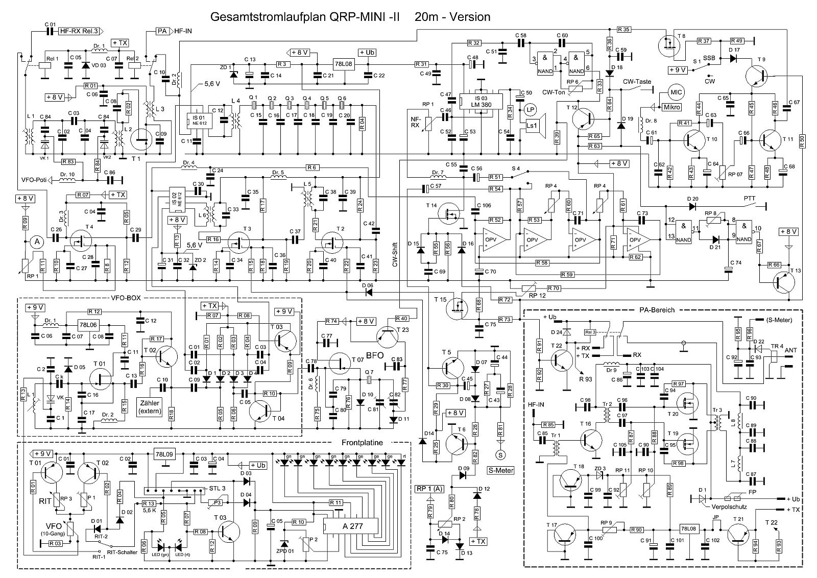
QRP-MINI 20m
Stromlaufplan
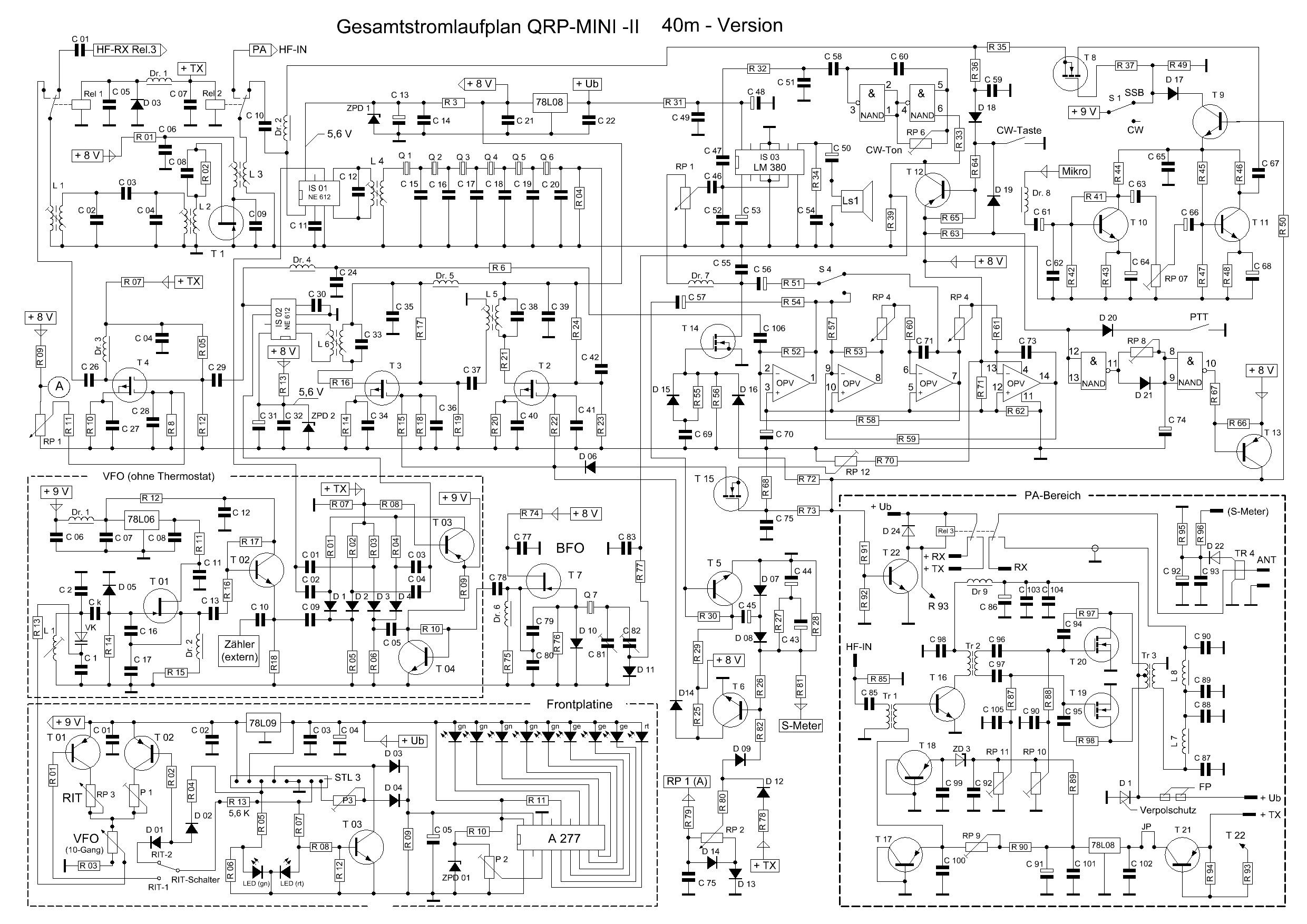
QRP-MINI-II 40m
Stromlaufplan
QRP-MINI-II 20m
Stromlaufplan

NF-Filter, Keyer, Zubehör

Zweitongenerator
Stromlaufplan
elektronischer Keyer
Stromlaufplan
Notch/Peak-Filter
Stromlaufplan
SELECT95-B
Stromlaufplan