...Programmierbeispiele mit Dioden für die LCD9M-Zähler


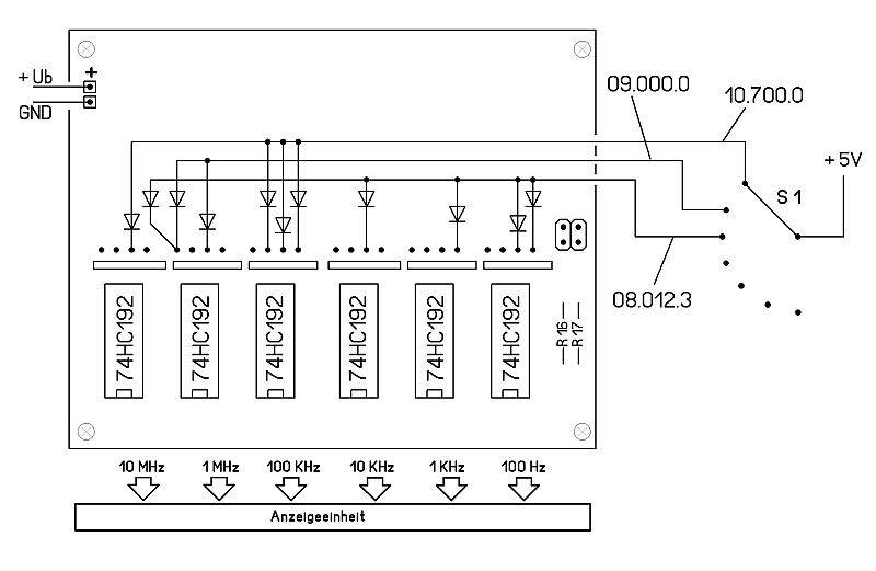
Die Zähler vom Typ "LCD9M" lassen sich in einfacher Weise als Verrechnungszähler nutzen, indem man die Programmier- oder auch Voreinstelleingänge der Zähldekaden mit H oder L-Pegel belegt. Jede der sechs Zähldekaden besitzt vier solcher BCD-codierten Eingänge, die im Grundzustand über Widerstandsnetzwerke auf L-Pegel gehalten werden. Die Dekade zählt in diesem Fall von 0 bis 9 durch.
Jeder der vier Eingänge, die man mit A,B,C und D bezeichnet, besitzt eine bestimmte Wertigkeit. Bei A ist es "1", bei B "2", C entspricht "4" und D "8". Wird nun einer oder mehrere der Programmiereingänge auf "H" gelegt, beginnt die jeweilige Dekade erst ab dem eingestellten Wert zu zählen.
Dabei ist zu beachten dass sich die Wertigkeiten, pro Dekade betrachtet, stets addieren. Erhält also beispielsweise Eingang A und B "H"-Pegel, ergibt das als Gesamtwert eine 3. Das ganze läßt sich leicht auf dem Display überprüfen. Am besten zieht man den Jumper, so werden Störungen durch ungewollte Eingangsimpulse vermieden.
LCD9M-DIODEN Mit dem BCD-Code stehen 16 verschiedene Kombinationen zur Verfügung, wobei die Anzeige durch die verwendeten Decoder auf 0-9 begrenzt wird. Auf die Darstellung der Pseudotetraden möchte ich hier nicht näher eingehen, sie sind für die Funktion dieser Zähler nicht relevant.
Ein voreingestellter Wert von größer als 9 ist im allgemeinen nicht sinnvoll. Alle Werte die kleiner sind werden jedoch mit der gezählten Frequenz in der jeweiligen Stelle verrechnet.

Ein Beispiel ist die Berücksichtigung einer ZF von 9 MHz. Hierzu sind lediglich in der "1 MHz"-Stelle A und D auf "H" zu setzen - entweder über Lötbrücken oder Dioden. Im Bild ist eine Möglichkeit dargestellt gleich mehrere Frequenzen zu berücksichtigen. Diese Methode hat noch den Vorteil den Zähler auch als Meßgerät nutzen zu können.
Beachten Sie beim Programmieren bitte die Abfolge der Wertigkeit an den Programmiereingängen. Diese ist, von links nach rechts betrachtet: 8/4/1/2.
Bei den Bausätzen die ab Mitte 2018 ausgeliefert werden beträgt die Reihenfolge 8/4/2/1.
BCD-Code
- D -- C -- B -- A -
0000= "0"
0001= "1"
0010= "2"
0011= "3"
0100= "4"
0101= "5"
0110= "6"
0111= "7"
1000= "8"
1001= "9"

zurück zu LCD9M-70