Universal NF-Kleinsignalverstärker NFV-05


...zur Ergänzung von Eigenbauprojekten


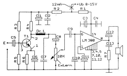
NFV-05 Der Bausatz ist als eigenständiges NF-Modul gedacht und kann bei vielen Eigenbauprojekten zum Einsatz kommen.

Anwendungen sind beispielsweise Kopfhörerverstärker, Abhör - und Monitorverstärker für Mischpulte, zum nachschalten bei NF-Filtern, Empfängern und Transceivern, oder als Mikrofonverstärker.

Die Schaltung ist sehr leicht aufzubauen und gut als Anfänger - oder Schülerprojekt geeignet.
Die Verstärkung dieser Baugruppe ist verhältnismäßig hoch und läßt sich - je nach Bedarf - unkompliziert an vorhandene Schaltungen anpassen.
NF-Verst. Bausatz
  • Einsatzbereich bis 100 KHz
  • Verstärkung bis 10 KHz 50 dB
  • Ausgangsleistung max. 1 W an 8 Ohm
  • Ein- und Ausgang Gleichspannungsfrei
  • Ruhestrom 12 mA, 100 mA bei Vollast
  • Betriebsspannung 6 bis 15 V Gleichspannung
  • Eingangspegel 2 bis 10 mV, Impedanz 500 Ohm bis 10 KOhm
  • sehr rauscharm
  • Platinengröße 35 x 40 mm

Bausatzpreis: 10,50 €      (inklusive Mehrwertsteuer)